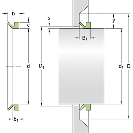
Uszczelnienie promieniowe wału z kauczukową powierzchnią zewnętrzną i pojedynczą wargą uszczelniającą, do oleju lub smaru plastycznego, metryczne
Uszczelnienia promieniowe wałów stosuje się między wirującymi a nieruchomymi częściami maszyn albo pomiędzy elementami w ruchu względnym. Uszczelnienia HMSA10 mają konstrukcję z kauczukową powierzchnią zewnętrzną. Mają konwencjonalną wargę uszczelniającą wykonaną z elastomeru lub tworzywa termoplastycznego. Pierścieniowa sprężyna zaciskowa w uszczelnieniu i bezkontaktowa warga pomocnicza optymalizują skuteczność uszczelnienia względem wału — także w środowisku zanieczyszczonym.
Zalety i korzyści:
Wysoka wydajność pompowania
Zwiększona skuteczność przeciwdziałania wnikaniu zanieczyszczeń, dzięki wardze przeciwpyłowej
Z pierścieniową sprężyną zaciskową
Kompensowanie niewspółosiowości
Pierścienie uszczelniające typu V, na rynek światowy
Inne frazy, po których znajdziesz ten produkt: CR401400SKF