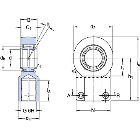
Łożysko oczkowe wymagające obsługi, gwint wewnętrzny, ze śrubami zaciskowymi SIQG 50 ES SKF
Te łożyska oczkowe SKF zawierają łożysko ślizgowe przegubowe z parą ślizgową stal/stal. Pierścień wewnętrzny jest poszerzony z obu stron. Łożysko wymaga obsługi i może być dosmarowywane poprzez smarowniczkę w oprawie, a w przypadku rozmiarów od 16 wzwyż także poprzez wał. Gwint wewnętrzny jest dostępny w wersjach lewej (przedrostek SIL) oraz prawej.
Zalety i korzyści:
Łatwe dosmarowywanie
Odpowiednie do wysokich obciążeń statycznych, zmiennych i udarowych
Proste i gotowe do montażu
Trzon ze szczelinami i śrubami zaciskowymi
Odpowiednie do siłowników hydraulicznych
Możliwa wymiana łożyska
ŁOŻYSKO ŚLIZGOWE SKF SIQG 50 ES
Łożysko oczkowe z gwintem wewnętrznym
Inne frazy, po których znajdziesz ten produkt: SIQG50ESSKF
Szczegółowe dane techniczne produktu na stronie producenta