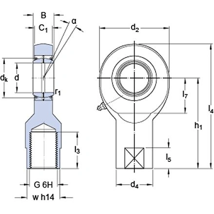
Łożysko ślizgowe SKF SIA 60 ES-2RS
Łożyska oczkowe SKF składają się z głowicy w kształcie oka ze zintegrowanym trzonem, która stanowi oprawę dla łożyska ślizgowego przegubowego. Te łożyska oczkowe wykorzystuje się w takich aplikacjach, jak siłowniki hydrauliczne i cięgna sterownicze, jak również wszędzie tam, gdzie wymagane jest precyzyjne złącze przegubowe. SKF dostarcza łożyska oczkowe wymagające obsługi oraz łożyska oczkowe bezobsługowe.
Zalety i korzyści:
Kombinacja łożyska i oprawy zapewniająca prosty montaż
Różne wersje konstrukcyjne do poszczególnych zespołów
Szereg różnych par ślizgowych do wyboru
Dostępne z gwintem wewnętrznym lub zewnętrznym, lewym lub prawym, albo z trzonem do przyspawania
ŁOŻYSKO ŚLIZGOWE SKF SIA 60 ES-2RS
Łożyska oczkowe z gwintem wewnętrznym
Inne frazy, po których znajdziesz ten produkt: SI 60 ES 2RS SKF SI60ES2RSSKF
Szczególowe dane techniczne produktu na stronie producenta