Łożysko ślizgowe SKF SAA 45 ES-2RS 45x104x217
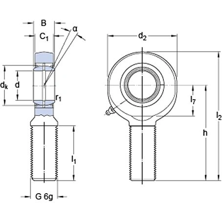
Łożyska oczkowe SKF składają się z głowicy w kształcie oka ze zintegrowanym trzonem, która stanowi oprawę dla łożyska ślizgowego przegubowego. Te łożyska oczkowe wykorzystuje się w takich aplikacjach, jak siłowniki hydrauliczne i cięgna sterownicze, jak również wszędzie tam, gdzie wymagane jest precyzyjne złącze przegubowe. SKF dostarcza łożyska oczkowe wymagające obsługi oraz łożyska oczkowe bezobsługowe.
Zalety i korzyści:
Kombinacja łożyska i oprawy zapewniająca prosty montaż
Różne wersje konstrukcyjne do poszczególnych zespołów
Szereg różnych par ślizgowych do wyboru
Dostępne z gwintem wewnętrznym lub zewnętrznym, lewym lub prawym, albo z trzonem do przyspawania
ŁOŻYSKO ŚLIZGOWE SKF SAA 45 ES-2RS
Łożyska oczkowe z gwintem
Inne frazy, po których znajdziesz ten produkt: SAA 45 ES 2RS SKF SAA45ES2RSSKF
Szczególowe dane techniczne produktu na stronie producenta